


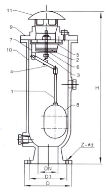
當管內開始注水時,塞頭停留在開位置,進行大量排氣,當空氣排完時,閥體內腔積水浮球被浮起,傳動塞頭至關閉位置,停止大量排氣;當管內水正常輸送時,如有少量空氣聚集在閥內至相當程度,閥內水位下降,浮球隨之下降,此時空氣則由小孔排出。當帛水機停止,管內水流空時,或遇管內產生負壓時,此時塞頭開啟,吸入空氣確保管線安全。

| 序號 | 名稱 | 材質 |
|---|---|---|
| 1 | 械桿B | 不銹鋼、錫青銅 |
| 2 | 活塞 | 不銹鋼、錫青銅 |
| 3 | 頂塞 | 鋁青銅+橡膠 |
| 4 | 杠桿A | 不銹鋼、錫青鉛 |
| 5 | 墊圈環 | 合成橡膠 |
| 6 | 導套 | 不銹鋼、鑄黃銅 |
| 7 | 杠桿架 | 不銹鋼、鑄黃銅 |
| 8 | 浮球 | 不銹鋼 |
| 9 | 閥蓋 | 灰鑄鐵、Q4400-15 |
| 10 | 閥體 | 灰鑄鐵、Q4400-15 |
| 11 | 排氣帽 | 灰鑄鐵、Q4400-15 |
| 公稱通徑 DN(mm) | H | D | D1 | Z | Ф-d |
|---|---|---|---|---|---|
| 50 | 490 | 165 | 125 | 4 | 19 |
| 80 | 590 | 200 | 135 | 8 | 19 |
| 100 | 750 | 220 | 180 | 8 | 19 |
| 150 | 820 | 285 | 240 | 8 | 23 |
| 200 | 1000 | 340 | 295 | 8 | 23 |
| 250 | 1200 | 395 | 350 | 12 | 23 |
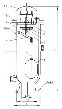
當管內開始注水時,塞頭停留在開位置,進行大量排氣,當空氣排完時,閥體內腔積水浮球被浮起,傳動塞頭至關閉位置,停止大量排氣;當管內水正常輸送時,如有少量空氣聚集在閥內至相當程度,閥內水位下降,浮球隨之下降,此時空氣則由小孔排出。當帛水機停止,管內水流空時,或遇管內產生負壓時,此時塞頭開啟,吸入空氣確保管線安全。

| 序號 | 名稱 | 材質 |
|---|---|---|
| 1 | 械桿B | 不銹鋼、錫青銅 |
| 2 | 活塞 | 不銹鋼、錫青銅 |
| 3 | 頂塞 | 鋁青銅+橡膠 |
| 4 | 杠桿A | 不銹鋼、錫青鉛 |
| 5 | 墊圈環 | 合成橡膠 |
| 6 | 導套 | 不銹鋼、鑄黃銅 |
| 7 | 杠桿架 | 不銹鋼、鑄黃銅 |
| 8 | 浮球 | 不銹鋼 |
| 9 | 閥蓋 | 灰鑄鐵、Q4400-15 |
| 10 | 閥體 | 灰鑄鐵、Q4400-15 |
| 11 | 排氣帽 | 灰鑄鐵、Q4400-15 |
| 公稱通徑 DN(mm) | H | D | D1 | Z | Ф-d |
|---|---|---|---|---|---|
| 50 | 490 | 165 | 125 | 4 | 19 |
| 80 | 590 | 200 | 135 | 8 | 19 |
| 100 | 750 | 220 | 180 | 8 | 19 |
| 150 | 820 | 285 | 240 | 8 | 23 |
| 200 | 1000 | 340 | 295 | 8 | 23 |
| 250 | 1200 | 395 | 350 | 12 | 23 |
當管內開始注水時,塞頭停留在開位置,進行大量排氣,當空氣排完時,閥體內腔積水浮球被浮起,傳動塞頭至關閉位置,停止大量排氣;當管內水正常輸送時,如有少量空氣聚集在閥內至相當程度,閥內水位下降,浮球隨之下降,此時空氣則由小孔排出。當帛水機停止,管內水流空時,或遇管內產生負壓時,此時塞頭開啟,吸入空氣確保管線安全。

| 序號 | 名稱 | 材質 |
|---|---|---|
| 1 | 械桿B | 不銹鋼、錫青銅 |
| 2 | 活塞 | 不銹鋼、錫青銅 |
| 3 | 頂塞 | 鋁青銅+橡膠 |
| 4 | 杠桿A | 不銹鋼、錫青鉛 |
| 5 | 墊圈環 | 合成橡膠 |
| 6 | 導套 | 不銹鋼、鑄黃銅 |
| 7 | 杠桿架 | 不銹鋼、鑄黃銅 |
| 8 | 浮球 | 不銹鋼 |
| 9 | 閥蓋 | 灰鑄鐵、Q4400-15 |
| 10 | 閥體 | 灰鑄鐵、Q4400-15 |
| 11 | 排氣帽 | 灰鑄鐵、Q4400-15 |
| 公稱通徑 DN(mm) | H | D | D1 | Z | Ф-d |
|---|---|---|---|---|---|
| 50 | 490 | 165 | 125 | 4 | 19 |
| 80 | 590 | 200 | 135 | 8 | 19 |
| 100 | 750 | 220 | 180 | 8 | 19 |
| 150 | 820 | 285 | 240 | 8 | 23 |
| 200 | 1000 | 340 | 295 | 8 | 23 |
| 250 | 1200 | 395 | 350 | 12 | 23 |