


SHLG上海梁工閥門制造有限公司生產的蒸汽電磁閥,ZQDF蒸汽電磁閥是工業過程自動化控制系統用的執行器,它在接受電控信號后
能自動開啟或關閉閥門,實現對管道中流體介質的通斷或流量調節控制,從而對系統中的溫度、流量、壓力等參數進行自動調節或
遠程控制。
一、產品用途:
ZQDF蒸汽電磁閥是工業過程自動化控制系統用的執行器,它在接受電控信號后能自動開啟或關閉閥門,實現對管道中流體介質的通
斷或流量調節控制,從而對系統中的溫度、流量、壓力等參數進行自動調節或遠程控制。
二、產品特點:
耐腐:主要部件閥塞,閥體等采用不銹鋼和鑄鋼制成,防腐性能良好。
耐熱:電磁、密封部分全部采用特種耐高溫電工材料和密封材料,并采用了有效的隔熱措施。
耐磨:選材合理,閥塞與閥體間巧妙地利用流體的潤滑作用,減少磨損。
耐冷凝:蒸汽管道的冷北水是影響蒸汽電磁閥動作的重要因素,本閥則不受冷凝水影響。
三、產品說明:
電磁閥產品可廣泛應用于紡織、印染、化工、塑料、橡膠、制藥、食品、建材、機械、電器、表面處理等生產和科研部門以及浴室、食堂、
空調等人們日常生活設施中。ZQDF蒸汽電磁閥主要用于空氣、蒸汽、煤氣等氣體介質的控制;ZQDF-Y系列主要用于自來水、蒸餾水、冷凍鹽
水、電鍍廢液等液體介質,同時也用于粘度小于4°E的油類
四、結構與原理:
本閥為分步動作直接先導式電磁閥,可根據斷電時所處開、關狀態的不同,可分為常閉式電磁閥和常開式電磁閥。常閉電磁閥,線圈通
電后,銜鐵在電磁力作用下先帶動副閥閥塞提起,主閥閥杯上的流體經副閥流走,減少了作用在主閥閥杯上的壓力,當主閥閥杯上的壓力
減少到一定值時,銜鐵帶動主閥閥杯,并利用壓差而使主閥閥杯開啟,介質流通。線圈斷電后,電磁力消失,銜鐵因自重下落復位。同時
依靠介質壓力,主副閥得以緊密關閉。常開電磁閥,線圈通電后由于吸力作用,動鐵芯下移,把副閥閥塞壓下,副閥關閉,主閥閥杯內壓力
上升,當壓力升到一定值時,主閥閥杯的上下壓差一樣,由于電磁力作用,動鐵芯失去主閥閥杯下,壓緊主閥閥座,閥門關閉。線圈斷電時,
電磁吸力為零,副閥閥塞和支鐵芯由于彈簧作用向上提起,副閥打開,主閥閥杯上的流體經副閥流走,減少了作用在主閥閥杯上的壓力,當主閥
閥杯上的壓力減少到一定值時,利用壓差把主閥閥杯推起,主閥打開,介質流通。
五、主要技術參數:
型號 | ZQDF-1 | ZQDF-2 | ZQDF-3 | ZQDF-1Y | ZQDF-2Y | ZQDF-3Y |
公稱壓力MPa | 1.6 | |||||
工作壓差MPa | DN15~50 | 0~1.6 | ||||
DN65~100 | 0.05~1.6 | |||||
介質種類 | 煤氣、空氣等 | 飽和蒸汽 | 過熱蒸汽或高溫氣體 | 水油液體 | 熱水、油 | 油 |
介質溫度℃ | ≤60 | ≤180 | ≤220 | ≤60 | ≤180 | ≤220 |
電源電壓 | AC220V其余規格可作特殊訂貨 | |||||
使用壽命 | 按JB/T7352-94規定 | |||||
泄漏量m1/min | 按JB/T7352-94·F規定 | |||||
功耗 | AC≤70VA DC≤60W | |||||
防爆標志 | dIIBT4 | |||||
出線口接頭 | 內螺紋M20× 1.5 | |||||
環境溫度 | -40~+60℃ | |||||

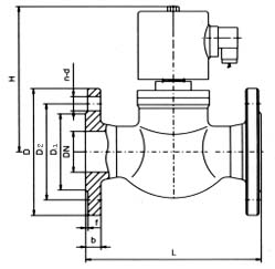
公稱通徑 DN | 外形尺寸 | 內螺紋 | 外形尺寸 | 法蘭連接 | |||||||
H | L | G | H | L | D | D1 | D2 | b | f | N-d | |
15 | 148 | 92 | 1/2 | 176 | 130 | 95 | 65 | 46 | 14 | 2 | 4-Φ14 |
20 | 148 | 92 | 3/4 | 181 | 150 | 105 | 75 | 56 | 16 | 2 | 4-Φ14 |
25 | 148 | 110 | 1 | 210 | 160 | 115 | 85 | 65 | 16 | 3 | 4-Φ14 |
32 | 182 | 120 | 11/4 | 221 | 180 | 140 | 100 | 76 | 18 | 3 | 4-Φ18 |
40 | 182 | 140 | 11/2 | 230 | 200 | 150 | 110 | 84 | 18 | 3 | 4-Φ18 |
50 | 192 | 162 | 2 | 252 | 230 | 165 | 125 | 99 | 20 | 3 | 4-Φ18 |
65 | 265 | 290 | 185 | 145 | 118 | 20 | 3 | 4-Φ18 | |||
80 | 276 | 310 | 200 | 160 | 132 | 20 | 3 | 8-Φ18 | |||
100 | 373 | 350 | 220 | 180 | 156 | 22 | 3 | 8-Φ18 | |||
一、產品用途:
ZQDF蒸汽電磁閥是工業過程自動化控制系統用的執行器,它在接受電控信號后能自動開啟或關閉閥門,實現對管道中流體介質的通
斷或流量調節控制,從而對系統中的溫度、流量、壓力等參數進行自動調節或遠程控制。
二、產品特點:
耐腐:主要部件閥塞,閥體等采用不銹鋼和鑄鋼制成,防腐性能良好。
耐熱:電磁、密封部分全部采用特種耐高溫電工材料和密封材料,并采用了有效的隔熱措施。
耐磨:選材合理,閥塞與閥體間巧妙地利用流體的潤滑作用,減少磨損。
耐冷凝:蒸汽管道的冷北水是影響蒸汽電磁閥動作的重要因素,本閥則不受冷凝水影響。
三、產品說明:
電磁閥產品可廣泛應用于紡織、印染、化工、塑料、橡膠、制藥、食品、建材、機械、電器、表面處理等生產和科研部門以及浴室、食堂、
空調等人們日常生活設施中。ZQDF蒸汽電磁閥主要用于空氣、蒸汽、煤氣等氣體介質的控制;ZQDF-Y系列主要用于自來水、蒸餾水、冷凍鹽
水、電鍍廢液等液體介質,同時也用于粘度小于4°E的油類
四、結構與原理:
本閥為分步動作直接先導式電磁閥,可根據斷電時所處開、關狀態的不同,可分為常閉式電磁閥和常開式電磁閥。常閉電磁閥,線圈通
電后,銜鐵在電磁力作用下先帶動副閥閥塞提起,主閥閥杯上的流體經副閥流走,減少了作用在主閥閥杯上的壓力,當主閥閥杯上的壓力
減少到一定值時,銜鐵帶動主閥閥杯,并利用壓差而使主閥閥杯開啟,介質流通。線圈斷電后,電磁力消失,銜鐵因自重下落復位。同時
依靠介質壓力,主副閥得以緊密關閉。常開電磁閥,線圈通電后由于吸力作用,動鐵芯下移,把副閥閥塞壓下,副閥關閉,主閥閥杯內壓力
上升,當壓力升到一定值時,主閥閥杯的上下壓差一樣,由于電磁力作用,動鐵芯失去主閥閥杯下,壓緊主閥閥座,閥門關閉。線圈斷電時,
電磁吸力為零,副閥閥塞和支鐵芯由于彈簧作用向上提起,副閥打開,主閥閥杯上的流體經副閥流走,減少了作用在主閥閥杯上的壓力,當主閥
閥杯上的壓力減少到一定值時,利用壓差把主閥閥杯推起,主閥打開,介質流通。
五、主要技術參數:
型號 | ZQDF-1 | ZQDF-2 | ZQDF-3 | ZQDF-1Y | ZQDF-2Y | ZQDF-3Y |
公稱壓力MPa | 1.6 | |||||
工作壓差MPa | DN15~50 | 0~1.6 | ||||
DN65~100 | 0.05~1.6 | |||||
介質種類 | 煤氣、空氣等 | 飽和蒸汽 | 過熱蒸汽或高溫氣體 | 水油液體 | 熱水、油 | 油 |
介質溫度℃ | ≤60 | ≤180 | ≤220 | ≤60 | ≤180 | ≤220 |
電源電壓 | AC220V其余規格可作特殊訂貨 | |||||
使用壽命 | 按JB/T7352-94規定 | |||||
泄漏量m1/min | 按JB/T7352-94·F規定 | |||||
功耗 | AC≤70VA DC≤60W | |||||
防爆標志 | dIIBT4 | |||||
出線口接頭 | 內螺紋M20× 1.5 | |||||
環境溫度 | -40~+60℃ | |||||

公稱通徑 DN | 外形尺寸 | 內螺紋 | 外形尺寸 | 法蘭連接 | |||||||
H | L | G | H | L | D | D1 | D2 | b | f | N-d | |
15 | 148 | 92 | 1/2 | 176 | 130 | 95 | 65 | 46 | 14 | 2 | 4-Φ14 |
20 | 148 | 92 | 3/4 | 181 | 150 | 105 | 75 | 56 | 16 | 2 | 4-Φ14 |
25 | 148 | 110 | 1 | 210 | 160 | 115 | 85 | 65 | 16 | 3 | 4-Φ14 |
32 | 182 | 120 | 11/4 | 221 | 180 | 140 | 100 | 76 | 18 | 3 | 4-Φ18 |
40 | 182 | 140 | 11/2 | 230 | 200 | 150 | 110 | 84 | 18 | 3 | 4-Φ18 |
50 | 192 | 162 | 2 | 252 | 230 | 165 | 125 | 99 | 20 | 3 | 4-Φ18 |
65 | 265 | 290 | 185 | 145 | 118 | 20 | 3 | 4-Φ18 | |||
80 | 276 | 310 | 200 | 160 | 132 | 20 | 3 | 8-Φ18 | |||
100 | 373 | 350 | 220 | 180 | 156 | 22 | 3 | 8-Φ18 | |||
一、產品用途:
ZQDF蒸汽電磁閥是工業過程自動化控制系統用的執行器,它在接受電控信號后能自動開啟或關閉閥門,實現對管道中流體介質的通
斷或流量調節控制,從而對系統中的溫度、流量、壓力等參數進行自動調節或遠程控制。
二、產品特點:
耐腐:主要部件閥塞,閥體等采用不銹鋼和鑄鋼制成,防腐性能良好。
耐熱:電磁、密封部分全部采用特種耐高溫電工材料和密封材料,并采用了有效的隔熱措施。
耐磨:選材合理,閥塞與閥體間巧妙地利用流體的潤滑作用,減少磨損。
耐冷凝:蒸汽管道的冷北水是影響蒸汽電磁閥動作的重要因素,本閥則不受冷凝水影響。
三、產品說明:
電磁閥產品可廣泛應用于紡織、印染、化工、塑料、橡膠、制藥、食品、建材、機械、電器、表面處理等生產和科研部門以及浴室、食堂、
空調等人們日常生活設施中。ZQDF蒸汽電磁閥主要用于空氣、蒸汽、煤氣等氣體介質的控制;ZQDF-Y系列主要用于自來水、蒸餾水、冷凍鹽
水、電鍍廢液等液體介質,同時也用于粘度小于4°E的油類
四、結構與原理:
本閥為分步動作直接先導式電磁閥,可根據斷電時所處開、關狀態的不同,可分為常閉式電磁閥和常開式電磁閥。常閉電磁閥,線圈通
電后,銜鐵在電磁力作用下先帶動副閥閥塞提起,主閥閥杯上的流體經副閥流走,減少了作用在主閥閥杯上的壓力,當主閥閥杯上的壓力
減少到一定值時,銜鐵帶動主閥閥杯,并利用壓差而使主閥閥杯開啟,介質流通。線圈斷電后,電磁力消失,銜鐵因自重下落復位。同時
依靠介質壓力,主副閥得以緊密關閉。常開電磁閥,線圈通電后由于吸力作用,動鐵芯下移,把副閥閥塞壓下,副閥關閉,主閥閥杯內壓力
上升,當壓力升到一定值時,主閥閥杯的上下壓差一樣,由于電磁力作用,動鐵芯失去主閥閥杯下,壓緊主閥閥座,閥門關閉。線圈斷電時,
電磁吸力為零,副閥閥塞和支鐵芯由于彈簧作用向上提起,副閥打開,主閥閥杯上的流體經副閥流走,減少了作用在主閥閥杯上的壓力,當主閥
閥杯上的壓力減少到一定值時,利用壓差把主閥閥杯推起,主閥打開,介質流通。
五、主要技術參數:
型號 | ZQDF-1 | ZQDF-2 | ZQDF-3 | ZQDF-1Y | ZQDF-2Y | ZQDF-3Y |
公稱壓力MPa | 1.6 | |||||
工作壓差MPa | DN15~50 | 0~1.6 | ||||
DN65~100 | 0.05~1.6 | |||||
介質種類 | 煤氣、空氣等 | 飽和蒸汽 | 過熱蒸汽或高溫氣體 | 水油液體 | 熱水、油 | 油 |
介質溫度℃ | ≤60 | ≤180 | ≤220 | ≤60 | ≤180 | ≤220 |
電源電壓 | AC220V其余規格可作特殊訂貨 | |||||
使用壽命 | 按JB/T7352-94規定 | |||||
泄漏量m1/min | 按JB/T7352-94·F規定 | |||||
功耗 | AC≤70VA DC≤60W | |||||
防爆標志 | dIIBT4 | |||||
出線口接頭 | 內螺紋M20× 1.5 | |||||
環境溫度 | -40~+60℃ | |||||

公稱通徑 DN | 外形尺寸 | 內螺紋 | 外形尺寸 | 法蘭連接 | |||||||
H | L | G | H | L | D | D1 | D2 | b | f | N-d | |
15 | 148 | 92 | 1/2 | 176 | 130 | 95 | 65 | 46 | 14 | 2 | 4-Φ14 |
20 | 148 | 92 | 3/4 | 181 | 150 | 105 | 75 | 56 | 16 | 2 | 4-Φ14 |
25 | 148 | 110 | 1 | 210 | 160 | 115 | 85 | 65 | 16 | 3 | 4-Φ14 |
32 | 182 | 120 | 11/4 | 221 | 180 | 140 | 100 | 76 | 18 | 3 | 4-Φ18 |
40 | 182 | 140 | 11/2 | 230 | 200 | 150 | 110 | 84 | 18 | 3 | 4-Φ18 |
50 | 192 | 162 | 2 | 252 | 230 | 165 | 125 | 99 | 20 | 3 | 4-Φ18 |
65 | 265 | 290 | 185 | 145 | 118 | 20 | 3 | 4-Φ18 | |||
80 | 276 | 310 | 200 | 160 | 132 | 20 | 3 | 8-Φ18 | |||
100 | 373 | 350 | 220 | 180 | 156 | 22 | 3 | 8-Φ18 | |||